客服电话:021-64396125 52707212
电子邮箱:sales@knled.com.cn
中文版
English
中文版
English
首页(yè)
关于我们
公司简介
公司荣誉
产品介绍
民用气体传感器
工业用气体传感器
商用(yòng)气(qì)体传感器
产品应用
民用传感器应用
工业用传感器应用
商业(yè)用传感器应用
www91集团
集团(tuán)概要(yào)
www91技术
新闻中心
公司新闻
行业新(xīn)闻
联系我们
联系我们
在线留言
首(shǒu)页
关于我(wǒ)们
产品介(jiè)绍
产品应用(yòng)
www91集团
新闻中心
联系我们
技术资料
催化燃烧(shāo)式气体传感器
电化学式气体传感器
燃料电池专用气体传感器
燃气热水器专用传(chuán)感器(qì)
网站首页
>
关于(yú)我们
>
网站首页
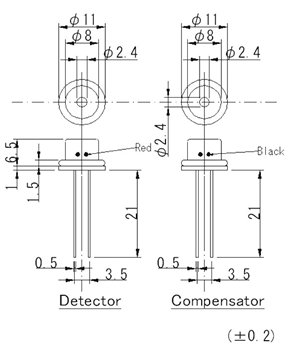
NC-170
www91_www.污污污_91.www_www视频免费在线看